Description
The Thermostatic Shower Panel is designed to offer a complete, comfortable, and hygienic showering experience for both the patient and the caregiver. It can be used with shower gurneys and provides a convenient supply of water at a controlled temperature. The panel features a patient shower hose that can be equipped with a thermometer for easy monitoring of water temperature. Its user-friendly interface makes it simple to operate.
Note: Never use the yellow sanitizing hose on patients
Key Details
- Pair with Shower Gurneys: In combination with a shower gurney, the shower panel delivers a comprehensive showering experience with a convenient and integrated hygiene system.
- Two Shower Heads: The shower setup includes two heads; one is intended for patients' use, while the other is designated for sanitizing purposes.
- Sanitizing: After bathing patients, the integrated Cleaning System can be used to sanitize the gurney, preventing any hygiene issues.
- Safety: The cleaning system operates on cold water only to eliminate the risk of fume inhalation. With these features, the Thermostatic Shower Panel provides a convenient and sanitary solution for patient care.
- User Friendly: The controls on the shower panel are easy to understand and operate.
-
Thermometer:
There is an available option to include a thermometer for the patient shower head.
Specifications
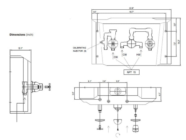
- Width: 23"
- Height: 15"
- Depth: 5"
- Recommended Mounting Height from Floor: 49"
- Power Supply: 230V , 50 Hz
- Minimum Dynamic Water Pressure: 0.15 Bar
- Maximum Dynamic Water Pressure: 5 Bar
Brand
Collection
Additional Information
User WarrantyOperating Manual
User Manual
Brochure
About TR Equipment
